Big-bit拆解:恒温护发,快速干发的keheal吹风筒
【哔哥哔特导读】本期Big-bit拆解将带来恒温护发,快速干发的keheal吹风筒,这款高性价比的吹风筒用到的核心主控MCU来自航顺芯片,快来看看这个核心解决方案的优势以及它的用户反馈吧!
【前言】
当你选购吹风机的时候,你会更关注功能、品牌还是价格?
戴森吹风筒,就一直是市场上炙手可热的明星产品。但是当你看到其售价高达3299元时,是否也有片刻的忧虑呢?
如果打开小红书,在输入框输入“戴森吹风筒平替”几个关键字样后,一堆被推荐的吹风筒就会引入眼帘。其中,keheal吹风筒便广受消费者好评——同样是三挡温度调节,中空设计,拥有同样干发速度的它,价格只要299元。在热播的《乘风破浪的姐姐》中,keheal吹风筒还是姐姐们的同款吹风筒。
Big-bit本期《产品拆解》栏目所选择的产品就是keheal吹风筒。这款吹风筒拥有高、低两档风速控制,以及自然风、暖风档、热风档三档风温控制,还有两档冷热循环设置。另外,它还拥有智能恒温检测功能,可以做到恒温护发和减少断发的功效。
随着拆解,一起来看看这款优质国产吹风筒的关键器件吧!
【主要元器件预览】
华润微三相全桥智能功率模块 CS5755MT
航顺芯片32位MCU HK32F030C8T6
聚洵低噪声运算放大器 GS8634
士兰微电流模式PWM控制器 SDH8322S
【keheal吹风筒】
keheal吹风筒整体设计美观,机身洁白,按钮简约。上方按钮为风速按钮,两次上拨可调至高风速、单次上拨则为低风速。下方的按钮为风温按钮,短按可切换自然风档、暖风档和热风档;长按可切换冷暖循环。

高速吹风筒

高速吹风筒

高速吹风筒
keheal吹风筒开始操作时,下方风温按钮会亮起白灯。

高速吹风筒
产品背面印有产品信息:

高速吹风筒
品名:高速吹风机
额定电源:220V-50Hz
型号:GC-H1
额定功率:1400W
制造商:广东科西智能科技有限公司
【keheal吹风筒拆解】
将keheal吹风筒手柄的外壳拆卸下来。

高速吹风筒
内部电路板结构就会显现出来。

高速吹风筒
手柄上的螺丝经过拆卸之后,可以隐约看到藏在风筒内部的电机部分和电路板部分。

高速吹风筒
在keheal吹风筒手柄位置,放置着一个用硅胶保护套套着的BLDC高速电机和一块主控电路板。这些部件的整体结构简洁,占用空间小。

高速吹风筒
电机部分:

高速吹风筒

高速吹风筒
高速直流无刷电动机
型号:M18A
额定电压:310V DC
输出功率:100W
额定转速:110000r/min
绝缘等级:F 工作制:S1
生产批号:B2023006
主控电路板部分:

高速吹风筒
元器件1:

高速吹风筒
NTC热敏电阻。丝印5D-11。冷态电阻5Ω,直径11mm。主要用于抑制电源开机瞬间的过大冲击电流。
元器件2:

高速吹风筒
固得沃克1.0AMP表面贴装超快整流器。丝印:ES1J。主要作用是将方向、大小不断变化的交流电,转变为方向不变,而只有大小在变的单向脉动电,再经过滤波电路和稳压电路,将脉动电变为大小不变的直流电。
元器件3:

高速吹风筒
士兰微电流模式PWM控制器 SDH8322S,型号:SDH8322S。它集成度高,内置高压 MOSFET 功率开关和自主专利的高压启动功能。SDH8322S 采样PWM+PFM控制方式,兼顾满载和轻载下的转换效率,在极轻载下进入打嗝模式,有效地降低系统的待机功耗。采用贴片化封装形式:SOP-8-225-1.27。
SDH8322S 内部还集成了各种异常状态的保护功能,包括:VDD 欠压保护、VDD 过压保护、前沿消隐、过流保护、过温保护等。触发保护后,电路保持不断重启状态,直到系统异常状态解除后可以自动恢复正常工作状态。它作为辅助电源控制IC,配合外部电感等元器件,从高压交流端变换产生低压直流电源,给MCU和其他低压器件供电。可通过VSET管脚灵活配置输出电压,12V/15V/18V三种规格可选。

高速吹风筒
元器件4:

高速吹风筒
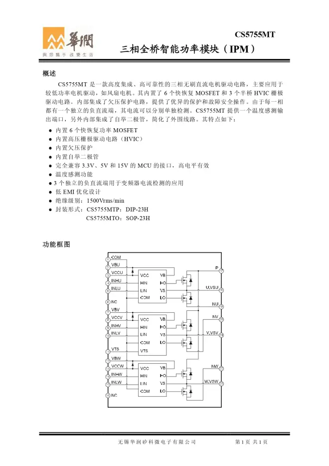
华润微三相全桥智能功率模块(IPM),型号:CS5755MT。它是一款高度集成、高可靠性的三相无刷直流电机驱动电路,主要应用于较低功率电机驱动,如风扇电机。封装形式为CS5755MTP:DIP-23H、CS5755MTO:SOP-23H。它在吹风筒中的作用主要是用于控制电机的转速和输出功率,从而实现吹风筒的正常工作。

高速吹风筒
主控电路板背面:

元器件1:

整流桥MB40M,主要用于将交流电整流成脉动直流电。
元器件2:

Keheal吹风筒采用的主控MCU来自航顺芯片,型号为HK32F030C8T6,是一款高性能32位MCU。它采用ARM Cortex-M0内核,最高主频可达72MHz。此外,它还支持USART、SPI、IIC以及12位高精度ADC等丰富的外设,具备3路互补带死区PWM输出的高级定时器功能,可用于各类复杂的BLDC控制。
在keheal吹风筒中,HK32F030C8T6主要负责控制BLDC高速电机。它利用FOC算法来实现电机的平稳运转,并具备缺相检测和恒功率控制等多种保护措施,以避免电机和控制板损坏。同时,它还能监测风温,自动调节并保持恒定温度,具有超温保护功能,避免伤发。此外,HK32F030C8T6还具备缺相保护、过流保护、过功率保护、过压保护、转速异常保护、功率模块过热保护、出风温度过热保护等功能。


元器件3:

另外还配备了聚洵低噪声运算放大器,型号:GS8634。它是一种低噪声、低电压运算放大器,适用于多种应用,具有6MH单位增益带宽、4.2V/s
压摆率。GS8634 能够在音频信号路径或电机控制应用等低电压和低噪声系统中提供优质性能,主要用于信号放大和信号采集,可以做到实现更快更准的采样。
该器件可向重负载提供轨到轨输出摆幅。输入共模电压范围包括接地,器件的最大输入失调电压为 3.5mv(推荐的温度范围)。在低电源电压下,容性负载能力也很好。工作温度范围从-40C到125C。



而风筒能够实现4亿负离子护发功能的,依靠的就是广东青衫精密电子有限公司生产的负离子发生器,型号GFA-223M。输出电压:-2.0kV- -4.0kV 。输入电压:180-250VAC 50/60Hz 1W。它可以中和头发产生的静电,减少毛躁。
拆解全家福

高速吹风筒
【用户体验】
经过记者对于这款keheal吹风筒进行使用之后发现,这款吹风筒最大的特点是颜值高、吹风温和、不烫手和运转噪音小。根据记者在各大购买平台搜索发现,keheal吹风筒在某大型电商平台的评价足足高达一万条,其中,“舍不得买戴森,这款keheal价格优惠,设计的和大牌一样,有质感,很高级,吹头发特别快,吹的特别顺滑,颜色也是特别的高级”,“吹发不毛躁,柔顺”,“吹完头发温顺不打结”,“价格实惠”,“性价比高”,“噪音小”,“干发快,大概6分钟就能吹干长发”等是客户对于这款吹风筒最多的赞赏。
【半导体器件应用网总结】
通过拆解,可以了解到这款keheal吹风筒用到的主控芯片为航顺芯片32位MCU HK32F030C8T6,另外搭配了华润微三相全桥智能功率模块(IPM) CS5755MT和士兰微电流模式PWM控制器 SDH8322S。
航顺芯片主控MCU HK32F030C8T6方案亮点:
据了解,HK32F030C8T6是一款高性能32位MCU,使用ARM Cortex-M0内核,最高主频可以支持72MHz,支持USART、SPI、IIC以及12位高精度ADC等丰富的外设,支持3路互补带死区PWM输出的高级定时器,可应用各类复杂的BLDC控制。对于比其他同类型的产品,HK32F030C8T6在性能和参数上的主要优势有:最高主频支持到72MHz;支持2.0V~5.5V宽电压工作;支持硬件定点除法、开方运算单元,可用于提高电机算法效率;支持航顺自研的Flash加密模块,可以安全保护用户代码不被破解,保护用户的知识产权。
航顺芯片主控MCU HK32F030C8T6用户反馈:
航顺芯片基于国产32位MCU HK32F030C8T6芯片的高速吹风筒整体解决方案以其高转速(高达13万转)、精准恒温、高性能低成本、高可靠性、低功耗等 优点,深受客户认可,已在多家知名品牌客户中量产出货。这款芯片解决了国内高端32位MCU长期依赖国外品牌的痛点, 航顺芯片HK32F030C8T6可以直接软硬件替代国外品牌同类产品,已经有很多国内客户开始选用航顺芯片替代国外MCU进行老产品维护和新产品的开发。
总的来说,这款国产keheal吹风筒基本上可以实现国外大牌吹风筒的作用,是一款功能全面、性价比突出的国产吹风筒产品。
本文为哔哥哔特资讯原创文章,如需转载请在文前注明来源

