小型污水处理厂自控系统案例

项目简介
该项目为县城污水处理厂一期工程,本污水厂为新建工程,污水处理规模5000m3/d。

《城镇排水系统电气与自动化工程技术标准》CJJ120-2018
《分散型控制系统工程设计规范》HG/T20573-2012
《控制室设计规范》HG/T20508-2014
《可编程控制器系统设计规范》HG/T20700- 2014



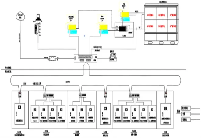
信 息 层
信息层为污水处理厂各个使用者提供有效可靠的各类信息的接收、交换、传输、存储、检索和显示的综合处理,并提供决策支持能力与服务。监控服务器、数据服务器、工程师站计算机、软件、工业网络交换机报表及报警打印机等组成监控主站。

监控系统位于综合楼的中央控制室完成全厂工艺设备的运行状态、工艺过程参数的采集和监视,远程控制相关设备、设定运行参数,配合工艺运行过程实现污水处理的目的。实现报表打印,事故报警等功能。操作员两套监控计算机进行主设备转换时系统无数据丢失。

控 制 层
污水厂的自控系统在综合楼控制室内,各现场控制站设置独立的控制柜,负责各车间及其相关单体的工艺关键参数的监测和电气设备控制。通过光纤以太网实现现场控制站的数据通讯,组成全厂计算机监控系统,实现集中管理。



该污水厂项目共设置六个PLC控制站
1.PLC1:鼓风机房配电间区域
2.PLC2:旋流沉砂系统
3.PLC3:污泥脱水装置系统
4.PLC4:滤池系统
5.PLC5:除臭生物滤池
6.PLC6:加药系统



设 备 层
设备层控制模式:
自控设备有三种控制模式,分别为:1现场手动:通过现场控制箱的按钮实现设备的启动/停止操作。2远程手动:在值班室监控站单个控制现场设备。3自动控制:由PLC现场控制站负责设备全部操作的控制,按照工艺过程的检测参数和状态,通过预先设定的程序,实现设备的自动启/停操作,不需要人工的介入。三种控制模式的优先级,从高到低依次是现场手动、远程手动、自动控制。所有设备均可操作手自动操作有切换按钮,当在用设备出现故障时自动投入备用设备。所有找警联锁值均可调,联锁动作前应设报警。


自控系统培训
2023年2月我公司技术工程师对该污水厂项目的工作人员进行了自控系统操作培训。

