S7-200 SMART 与台达VFD-M变频器通讯
S7-200 SMART 与台达VFD-M变频器通讯
相关软件:
1、编程软件:Step 7 - Micro / Win SMART V2.7
2、触摸屏软件:威纶通EB Pro V6.07
3、CPU硬件:ST30 (使用自带通讯端口)
4、变频器:台达VFD-M系列变频器
控制要求:
1、通过Modbus RTU通讯方式控制变频器的启停及频率给定。
2、在触摸屏上显示频率、给定频率、启停控制等相关参数。
一、官网下载VFD-M变频器说明书,查看相应的参数并设置通讯地址等参数。
(说明书下载链接:链接:https://pan.baidu.com/s/1FwuLMZ6O_knQEzBVau5kDg?pwd=x07y 提取码:x07y )
1、主要参数设置表:(更多参数内容请查阅说明书)

2、接线方法:

RJ11的4:SG+和3:SG-分别对应PLC串口DB9针的3+和8-

3、支持的功能码:
03H:读出寄存器內容
06H:写入单个数据至寄存器
10H:写入多个数据至寄存器
命令码:03H,读取 N 個字
N 最大为 12。例如:从站地址 01H 之交流电机驱动器的起始地址 2102H 连续读取 2 个字。

命令码:06H,写 1 个字 (word)
例如,将 6000(1770H)写到地址为 01H 交流电机驱动器的 0100H 地址。

4、通讯参数地址定义:

变频器启停控制命令地址为:2000H(8192)、频率给定地址为:2001H(8193)、注:PLC读写时地址需加1
分析正转启动为二进制(2#10010)、反转启动为二进制(2#100010)、停止命令为二进制(2#1)

其他参数及地址:

二、编写程序如图:(通讯指令介绍参考前面的文章:S7-200 SMART通讯指令介绍)
1、编写通讯程序如图:

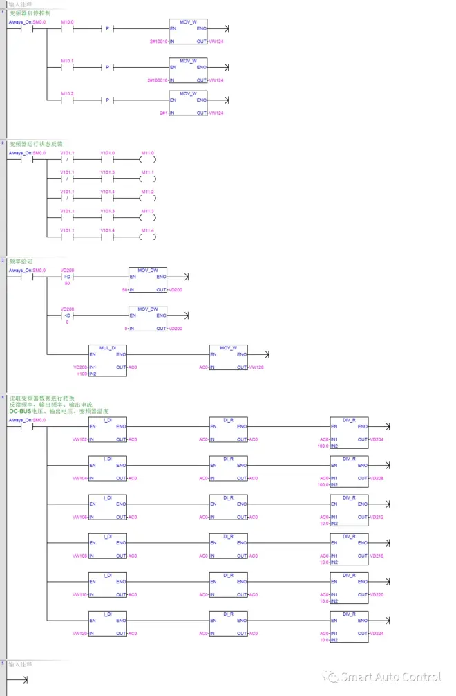
2、编写控制程序如图:

3、编写触摸屏程序如图:

三、下载测试:





本文程序下载链接
(
链接:https://pan.baidu.com/s/1jK2v5w5Q6-ZIEuI6aNrx-Q?pwd=0pzd 提取码:0pzd)
注:本文仅供参考!!!

