LabVIEW开发燃油阀自动性能测试系统
LabVIEW开发燃油阀自动性能测试系统
燃油阀是航空燃油控制系统的核心部件。燃油阀的流量滞后直接影响控制精度、稳定性和可靠性,而燃油阀生产的性能测试是至关重要的步骤。但是,由于流动滞后是非线性的,因此很难控制和进行实时测试。随着厂家产能和生产规模的快速增长,目前的测试设备已难以满足厂家对提高燃油阀性能提出的更高要求。
为满足燃油阀大规模生产的需要,获得实时流动滞后曲线,利用计算机和LabVIEW虚拟仪器工程平台设计了燃油阀自动测试系统,该平台是专门用于设计和测量系统的软件开发工具。自动测试系统采用强大的计算机软件算法,取代了传统仪器的一些硬件。此外,它具有强大的功能,易于维护,扩展和升级,投资少。该系统具有更客观地获取燃油阀特性实际测量值、更容易在实际应用中推广等优点,可以获得更多的经济效益。
为了实现各种功能满足燃油阀自动测试的要求,软硬件设计两者共同进行。硬件具有模块化功能,可以对燃油阀的性能参数进行更准确、更全面的实时测试。该软件具有友好的用户交互界面,相应的测试功能按钮,相应的窗口用于手动设置不同变量采集数据的输入和显示字段。
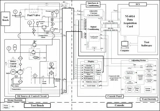
测试系统由测试台油源和燃油阀传感系统和控制台系统组成。试验台-油源和燃油阀传感系统位于试验室内,并设置在油路和油源中,而控制台系统位于控制室。两个系统通过屏蔽电缆连接,控制台系统监视和控制测试台油源和燃油阀传感系统。
控制台包括计算机软件测试部分和手动调整测试部分。控制台上有控制(启动或停止)泵的按钮,以及压力开关和电流调节旋钮,以实现手动控制测试。
每个传感器和测试台的检测电路将获取电流、油压(入口、出口和控制压力)、压差、流量、温度和其他变量。所有需要的变量将显示在控制台面板上的数字显示仪表中。PCI-6014数据采集卡和接口调理电路处理和调理后的每一个信号都由工业计算机实时采集。计算机实施燃油阀控制和数据处理,根据测试软件测试燃油阀的性能。

试验台-油源和燃油阀传感系统由油源控制系统和燃油阀参数检测传感系统组成。油源控制系统通过屏蔽电缆和电气连接器连接到控制台系统。燃油阀参数检测和传感系统安装在测试台上,并通过屏蔽电缆和电气连接器连接到控制台。这两个系统共同实现了油源油路的控制和参数检测功能。
油源控制系统由油泵站及其控制回路、油冷机及其控制回路和油源检测回路组成。油源检测电路设置在抽油源中。在油箱中,热阻及其控制电路实现油品的测试和显示;液位控制器及其控制电路,实现油罐的液位监测和报警;过滤器及其控制电路实现油污监测和报警。操作控制台上的变频控制器可以控制油泵站,油冷却机通过油路与油源连接,使测试时油温保持在正常值范围内。
燃油阀参数检测和传感系统包括压力变送器、压力传感器和流量计。它们安装在油品试验台上,通过屏蔽电缆连接到控制台系统,实现燃油阀入口压力、出口压力、控制压力、压差和流量参数的检测。
控制台系统是燃油阀自动测试系统的核心。控制台系统的安全性、准确性和效率不仅关系到测试系统的正常运行,而且对于实现燃油阀性能测试至关重要。控制台系统由控制台柜、计算机数据采集和控制系统和接口调节电路组成。
自动测试系统的控制台采用桌面控制柜。将工控计算机、显示器、键盘、鼠标、打印机和接口电路模块分层固定在控制台柜内,然后进行定期的走线连接。因此,测试系统具有三防功能和模块化结构,易于扩展和操作。
控制台前面板包括计算机显示器、变频控制器、数字显示仪表、开关和调节装置。前面板的左侧安装21英寸LCD监视器,右侧安装逆变器控制器,数字仪表,流量计算机,调节器,报警指示和控制开关。
DCS主要由工业控制计算机和采集卡PCI-6014组成。PCI-6014 具有 200kS/s 采样率、16 个模拟输入和 16 个模拟输出的2 位精度、5 个数字 I/O 通道(8VTTL/CMOS)。
该系统采用7个模拟差分输入通道,实现燃油阀入口压力、出口压力、控制压力、压差、流量、温度和线圈电流的实时检测。4个数字输入通道用于报警油路污染、液位低、过热和超压。两个模拟输出通道分别用于控制燃油阀的油压和线圈电流。
测试系统软件基于LabVIEW虚拟仪器工程平台实现,用于检测和控制燃油阀性能参数。
软件设置了性能测试的开始、停止和保存按钮,还设计了相应的参数窗口和手动设置的变量显示字段。此外,监测控制软件还具有油品过热、超压、油污和油箱低液位报警功能以及测试数据的获取、显示、存储和输出功能。在保存测试数据之前,用户可以用测试名称、测试编号、产品ID、环境温度、气压等信息填充空白。
性能测试控制软件具有自动和手动测试模式,以完成燃油阀的性能测试。在测试过程中,软件可以自动保存采集数据并生成燃油阀性能测试的实时流量曲线。此外,测试后,可以自动计算滞后,以判断被测试的燃油阀是否合格。

自动模式
计算机输出一系列信号,给燃油阀线圈从OmA到150mA的不同电流值,然后在选择自动测试模式时,从150mA返回到OmA。在测试开始之前,操作员可以通过在相应空白处键入来设置每个当前阶段的停留时间。
在停留在每个当前阶段的设定时间后,测试程序可以自动保存该当前点的数据,并继续到下一个电流值阶段的测试,直到周期(电流从OmA到150mA,从150mA返回到OmA)完成。
手动模式
选择手动模式时,操作员可以用任意值设置线圈电流(0∼150米A)通过调节可调恒流源模块的电流旋钮来调节燃油阀。测试将继续以当前设置值运行,直到操作员更改为止。如果是这样,测试程序会自动保存电流和流量数据,然后进入下一个设置状态。手动模式测试在燃油阀定性测试中具有很强的灵活性和可控性。
PCI总线数据采集卡和LabVIEW虚拟仪器虚拟仪器工程平台相结合,实现自动测试系统的设计。测试系统不仅具有完善的数据采集和处理能力,而且具有强大的信号调理功能。与传统仪表相比,计算机辅助燃油阀自动测试系统由于硬件的模块化设计思想,结构灵活,易于集成和扩展。
这是LabVIEW的一个应用,更多的开发案例,欢迎登录北京瀚文网星官网,了解更多信息。有需要LabVIEW项目合作开发,请与我们联系。

