农田灌溉预付费电能表
安科瑞 奚刚锋
一 背景介绍
2016年1月21日,国务院办公厅印发了《关于推进农业水价综合改革的意见》(国办发〔2016〕2号),要求建立健全农业水价形成机制;农业用水价格总体达到运行维护成本水平,农业用水总量控制和定额管理普遍实行,可持续的精准补贴和节水奖励机制基本建立,先进适用的农业节水技术措施普遍应用,农业种植结构实现优化调整。
本方案通过水权分配到户、用水用电计量收费、用水补贴、节水奖励、水权交易等方法,提升农民节水积极性,最终实现农业用水总量控制。
二 产品简介
DTSY1352三相预付费电能表分别用于计量额定频率50Hz的三相交流有功电能,具有预付费控制、负载控制、时间控制及RS485通信等功能,性能指标符合GB/T17215.321-2008标准。该表是改革传统用电体制、实现电能商品化解决收费难、调节电网负荷状态以及提高用电管理水平的理想计表。产品符合企业标准Q31/0114000129C035-2017《导轨式安装电能表企业标准》的要求。
1. 基本功能
电能计量:正反向有功、无功电能计量以及三相分相正向有功电能;
电量测量:基本电参量测量U、I、P、Q、S、PF、F;
脉冲输出:有功脉冲输出、时钟脉冲输出;
通讯功能:支持红外通讯和两路RS485通讯,同时支持Modbus、DL/T645-07。
2. 技术参数

3. 主要特点
o 具备射频功能,使用非接触式射频卡购电;
o 刷卡取电,再次刷卡停电并取回剩余金额/时间;
o 支持按电价购电和按时间购电;
o 具备报警功能,当剩余电量不足时,电表背光常亮提醒用户购电;
o 具备科学的控制功能,如超负荷自动断电功能,单次最大灌溉时间断电功能。
o 余额为0时电表自动跳闸断电;
o 超过设定使用时间的余额会自动存入电表,随时可以刷卡取回自己的余额;
o 支持一表多卡,一卡多表使用;
o 卡内可记录本次充值后的近10条用电记录,再次充值后清除。
4. 外形及安装尺寸(单位:mm)

直接接入

经互感器接入
注:经互感器接入的接线力矩应不大于2.0N·m。
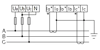
5. 接线与安装

DTSY1352三相三线直接接入

DTSY1352三相四线直接接入

DTSY1352三相四线经互感器接入

DTSY1352三相三线经互感器接入
辅助功能接线示意图

注:1. 17、18为时钟与有功脉冲复用端子,默认为有功脉冲。
2. 跳闸时需往41引入电压,40接对应断路器控制端。
3. 42、43合闸端子可用于控制电操机构等特定装置合闸。
4. 41、43端子接的保险丝耐压值应大于当前电压系统的电压等级,额定电流为3-5A。

