中国室内设计师培训中什么是精装修设计?
作为设计师,对于精装修设计的项目必然是需要有一定的了解的。除此之外,还需要知道这些项目在各方面把控上的要求有哪些?下面内容,就带你来了解精装修设计和它在声学方面的相关内容:
1、什么是精装修设计?
2、什么是建筑声学?
3、精装修设计对于声学方面的处理
什么是精装修设计?
对于业主来说,精装房的接收会比简单粗暴的毛坯房的观感更好,但是关于精装房设计到底是什么?接下里详细讲讲:
1、具体含义
所谓精装修是基于已有建筑,进行地面、墙面、顶面层的装饰、生活功能部品的建造,营造功能条件和生活条件。

△项目:西子青山湖玫瑰园|来源:archello.com
简单来说就是:住宅空间中将所有功能空间的固定面在房屋钥匙上缴前全部铺好或者刷好漆,厨房、卫生间的基本设备全部安装完毕;公装中将空间的固定面进行施工和特殊空间的基本设备安装完毕。
简装修设计包含了普通住宅项目、中高级住宅、高级住宅和大型工装项目。
2、精装修设计的验收原则及验收内容
一般来说,精装房在施工完成后,为了交接后没有过大的问题保证业主的相关权益,都会进行验收,验收过程遵循3大原则:工艺表面质量验收、工艺细节及工程量化验收(借助工具仪器)、第三方检测合格。而验收中具体有以下内容需要进行:
a、顶面工程验收
顶面工程的验收内容主要就是乳胶漆吊顶的验收。保证吊顶涂刷过程均匀无误,没有出现施工不均、明显施工纹路(刷纹)、开裂、脱皮等现象。

△来源:pinterest
b、墙面工程验收
墙面工程中,检验的重难点主要集中在木饰面工程上。要确保木饰面安装的牢固,位置正确无偏差,同时安装后的整体表面整洁、木纹完整方向正确,细节到位。

△来源:pinterest|发布作者:李不言
c、地面工程验收
地面在空间中的使用最为频繁,因此要求度和施工的完好性必须是最重要的。特殊空间要保证基础的防水处理,确保各空间的地面施工安装不出现空鼓现象,安装后的表现平整、美观等。

△来源:tegelhuismontfoort.nl
什么是建筑声学?
了解了精装修设计的概念后,相信你可以很清楚的明白,在精装修过程中设计师需要涉及到的空间范围和施工内容。而其中好像并没有关于声学方面的内容,不要急咱们继续往下聊。
1、具体含义
建筑声学主要研究的是建筑环境中声音的传播,声音的评价和控制的学科,是建筑物理的组成部分。这么说可能会有点官方,换成大白话就是一门研究建筑中关于声音的学科。

△来源:百度
建筑声学的基本任务就是:研究室内声波传输的物理条件和声学处理方法,以保证室内具有良好的听闻条件;研究控制建筑物内部和外部一定空间内的噪音干扰和危害。
2、建筑声学的作用
因为建筑声学主要就是研究关于建筑内声音的一切,因此它的作用也主要是围绕声音来进行展开的:
a、减少室内外噪声的干扰
房屋处在一定的环境中,不可避免的会被周边的事物产生的声音所影响,例如铁路旁边的居民楼。想要减少这种来自大环境中产生的,影响居住体验的声音,就是建筑声学存在的必要。

△来源:百度
b、减少室内声音的互相影响
减少八卦最好的方式就是隔绝八卦。在现在的房屋设计中,不可避免的就是项目的隔墙就是邻居,这个时候最不希望的就是隔声效果不好,因此也要通过建筑声学来保证房屋的隔音效果。

△来源:百度
c、控制室内声音的效果
在大型的精装修设计中,尤其是有大面积的功能空间的(宴会厅、会议室等),如果不采用合理的方式控制室内声音的传播,就会产生回音、声音杂乱不清晰的状况,也就是声音的混响时间控制。

△项目:武汉汉口万豪酒店
3、建筑声学的4大标准
也正是因为建筑声学的重要性,尤其是大型项目中存在的重要地位,为了检验建筑声学的使用效果,一般会根据以下4个标准进行判断:噪声标准、隔声标准、混响时间标准、区域环境噪声标准。
a、噪声标准
对于房间一般指房间内空调等设备产生的声音噪音,一般为NC30-45,数值越大噪音越大。

△来源:百度
b、混响时间标准
主要指声音停止后,声音残留到一定程度的时间。这个指标关乎室内房间装修吸音是否合适,也可以理解为语言清晰度。
这个指标主要对于宴会厅、会议室、报告厅、歌剧厅等大型公共空间适用,一般墙面会采用吸音材料。

△品牌:吸音板 EchoBrick
c、隔声标准
指房间之间声音穿透能力,隔音标准影响房间的私密性。
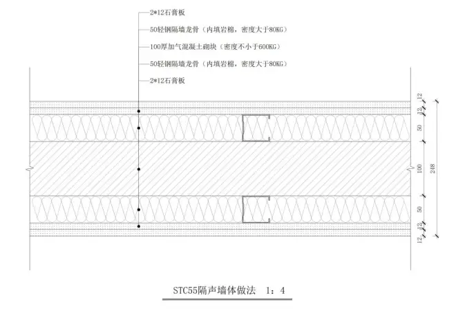
这个指标尤为重要,一般传声等级在STC40-55之间,房间具有较高的私密性,数值越大,隔声越好。酒店的客房隔声一般要求达到STC55或STC50,个别部位或要求达到STC60。房间要达到隔声要求,墙体、楼地面、门等都会影响。

△STC50隔声墙体做法-1

△STC50隔声墙体做法-2

△STC55隔声墙体做法-1

△STC55隔声墙体做法-2

△STC55隔声墙体做法-3

△STC60隔声墙体做法-1

△STC60隔声墙体做法-2
PS:对于隔声墙体,要达到隔声的要求,还在于墙体顶地是否存在缝隙,电路的暗盒是否贯通,墙体与玻璃幕墙接口处的处理等等细节。缝隙需要用胶填实,贯通的电路暗盒、开口距离≥600mm。
d、区域环境噪声标准
在《中华人民共和国城市区域环境噪声标准》中规定,居住、文教机关为主的区域以及乡村居住环境的噪声标准值,白天等效噪声值为55分贝,夜间为45分贝;商业、工业混杂区白天为60分贝,夜间为50分贝;城市中交通干线两侧白天为70分贝,晚间为55分贝。
精装修设计对于声学方面的处理
明白了上面2个专业的建筑含义,下面就来聊聊它们之间关联后,在设计中主要需要做的3个处理方法:楼地面的隔声做法、门的隔声做法、重要细节的隔声处理。
1、楼地面的隔声做法
楼板的隔声一般与混凝土的重量有关系,一般120-150mm的混凝土楼板,外加面层的做法,会达到STC55的隔声要求。
但是影响楼地面隔声还有一个问题,那就是通过楼板的撞击进行的声音传递,比如高跟鞋踩在木地板、大理石等地面产生的声音传递。这时控制声音传递的措施是采取增加软垫物的方式,在木地板下面增加10mm弹性软垫,或在大理石铺贴层下面加10mm软垫。

△来源:百度
PS:对于能够产生重大噪声的房间,比如健身房、机房等房间,可以考虑浮筑地面的做法或下部房间天花采用隔声天花。
2、门的隔声处理
门一般采用木门,对于房间隔声往往是薄弱环节,一般实木门(门厚需达到50mm实心木门)的隔声可以达到STC30-35,但是门四周的缝隙一定要处理合适,必须采用隔声胶条密封,双扇门中间采用企口,设置胶条,门下方设置挡尘隔音胶条。

△门扇底部安装隔音条
对于设备机房或隔声要求高的房间,门一般采取专业生产厂家提供的专业隔声门,可以达到STC45以上的隔声要求。
3、重要细节的隔声处理
a、房间隔墙与玻璃幕墙交接
对于房间隔墙与玻璃幕墙的交界处,楼板与玻璃幕墙交界处,需要重点考虑,主要通过隔音岩棉阻断声音传递。

△隔音岩棉板展示|来源:百度
b、宴会厅活动隔断
宴会厅的活动隔断重点在隔断上部,天花与楼板之间的隔声处理,必须按照隔声墙体的做法来处理。还有穿过墙体的管道的缝隙、天花喇叭的包裹等等,都需要仔细对待。
c、特殊功能空间
对于机房、设备房、管井、电梯井等等部位,需要按照设备产生噪音的大小以及机房所处的位置,对墙面、楼地面等进行处理,包括设备的基础、设备的选型。这应该属于一项系统工程,这里就不进行一一说明了。
推荐阅读:
https://www.shejidedao.com/library/16065-2.html
https://www.shejidedao.com/library/16039-2.html
https://www.shejidedao.com/library/16053-2.html
https://www.shejidedao.com/library/16045-2.html
https://www.shejidedao.com/library/16047-2.html