一种 ZIN 控制的VIENNA整流器和中点电压平衡方法
前言:
VIENNA整流器的常规控制策略目前都是需要采样AC侧的输入电压和电流,并用锁相环获取电网相位角度,再转用大量的三角函数计算转换到dq坐标系进行控制。然后使用dq解耦控制的方法分别控制id和iq,逆转dq到abc三相的控制量后再使用SVM等其它PWM调制策略对功率级进行控制。

参考文献:“VIENNA整流器控制策略综述”。作者:陈亚爱,李子漩,周京华,吴杰伟(北方工业大学 北京市变频技术工程技术研究中心,北京 100144)。
整个控制器的设计,需要大量的三角函数和坐标系变换,还有最为关键的是锁相环的设计。当三相电网不平衡时,使用普通的SRF-SPLL基本不能胜任工作,输出的dq上存在2次谐波影响电流的控制效果。如果电网的高次谐波和不平衡程度加大时,就需要使用DDSRF-SPLL来进行正负序解耦控制,其控制策略的算法复杂程度再次提升,而且锁相环也能完全克服电网频率变化时的响应速度,因此在恶劣电网环境,存在高次谐波和频率突变时,或是发电机应用等场景,依靠传统vienna控制策略不在适用。更多锁相环的内容可见参考文献。

参考文献:“Performance analysis of SRF-PLL and DDSRF-PLL algorithms for grid interactive inverters“,作者:Fehmi Sevilmiş a,* and Hulusi Karaca a。
对于目前基于采样输入电压以锁相环来追踪电网相角作为电流内环参考的整流器控制方法的,控制复杂,计算量大等问题。提出一种无需采样输入电压和追踪电网相位角度和无需电流内环的三相三电平Vienna整流器的控制方法,大幅度的简化了整流器的控制,并且在控制上与电网解耦,能自动适应复杂的电网环境,提升了整流器工作的鲁棒性和靠性。
P1 PFC控制
三相三电平Vienna整流器可以等效的看作三个单相的三电平的BOOST变换器并联工作,因为变换器是三电平的boost,所以对于Vienna整流器的分析思路可以按普通boost的方法。在高功率因数整流器的控制上,实现的主要目的是为了输入电流的相位和频率跟踪上电网的电压相位,就是等于让变换器的输入阻抗等同于阻性,实现电流与电压的同相工作。因此,如果可以让变换器的输入阻抗呈现阻性,而非感性或容性,即可实现输入电流自动跟随电网电压相位和频率。从阻抗分析,不论是感性阻抗还是容性阻抗,都存在虚数导致产生相位的超前滞后问题,只有电阻不会有相位的问题,因此在控制上能消除变换器的输入阻抗的传递函数中的虚数成分,即可达到输入阻抗呈现电阻性的特征。以电流连续模式工作的boost变换器来看:

CCM状态下是电感电流和开关周期示意图:

根据占空比公式易得:

可以推出输入与输出的关系为:

其中:

在CCM BOOST电感平均电流iL经过输入侧的低通滤波器后基本等于输入电流Iin即为:

输入阻抗与输出电压、电感电流、开关关闭阶段的占空比Doff有关系,在实际工作上因输出电压vout是固定值,因此输入阻抗的分析可以认为与Doff和iL有关系。

在PWM调制策略上,通过直接控制Toff在周期内的时间来实现对系统控制。其中Toff由控制环路发出的Vc*Tsw得到,即Toff = Vc * Tsw。从输入阻抗来看:Zin = (Vout * Doff) / iL,分母iL是电感电流,该电流与输入和电压电压和开通关闭时间有关,在不考虑均压环的输出时iL = (Vin * Ton) / Lf,不可避免会引入电感阻抗的虚数变量,因此要输入系统的输入阻抗为常数,必须要消除iL对输入阻抗的影响。通过把Toff的控制量Vc与iL建立关系,下式中vloop是控制输出电压稳定的电压外环的输出:

把该关系带入阻抗公式:

可见:当把Doff设计为iL/Vloop后,并以上图的PWM策略发波,通过Doff控制量去与PWM载波比较,Toff取Doff控制量小于PWM载波的时间,Ton取Doff控制量大于PWM载波的时间。CCM的boost输入阻抗已经转化为Zin = Vout / Vloop,不再与电感或电感电流有关系,并且Vout输出电压在稳态工作是常数,是变化速度很慢的量,可近视成固定值,而电压环的输出Vloop在稳态工作时也是变化速度很慢的量,可视为直流量来做分析,因此易得此时系统的输入阻抗为一常数,是阻性特征。
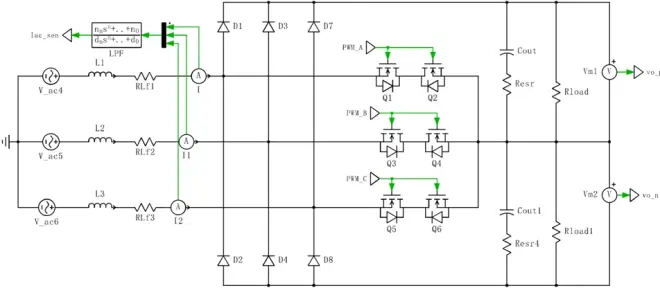
由于三相三电平vienna整流器可以当作三个三电平的单相boost分析,本文提出的基于输入阻抗的控制方法:仅需采样三相输入电流和输出侧正负直流母线电压用于实现整流器的控制,无需采样输入电压,也无需使用锁相环和坐标系变化的方法来实现高功率因素整流器的控制。Toff的控制量是Doff = iL/Vloop,当电流传感器放在电感后面会引入开关电流纹波,为了提升控制效果还需使用转折频率Fc为4~6KHz的低通滤波器来抑制采样电流中的开关频率级别的电流纹波,目的是控制器采取得到越接近Iin的信号控制效果越好,可见下图是Vienna整流器的功率级和电感电流和输出电压的采样信号。

下图是本文提出的核心控制方法,三相电感的电流iABC经过LPF低通滤波器处理后加上输出侧直流电压平衡的均压环输出,再取绝对值后除以Vloop,构建出带中点电压平衡控制的vienna整流器的输入阻抗控制策略的Doff核心控制量:

由于除法可能会产生大于1或小于0.05的输出,这样会导致PWM输出最大或最小占空比会损坏功率级,因此对Doff做限幅处理后,设置Doff最大为0.995,最小为0.05。用Doff的输出量乘以开关周期长度TBPRD再与PWM载波信号比较得到开关管的Ton和Toff时间。

控制器运行:
CH1中绿、蓝、红分别为三相输入电压,CH2中绿、蓝、红分别为控制器核心输出的Doff和黄色的PWM调制波,CH3为三相开关管的PWM驱动信号。

可见在下图这个时刻,A相为正向、B相马上要过零、C相处于负向区域,正好对应着A相的Doff最大、B相次之,C相的Doff最小,PWM的驱动信号输出是取PWM载波大于Doff的逻辑,再然后分别去控制三相的开关管,实现三相三电平Vienna的整流器控制方法。

运行波形:
CH1为输入三相交流电源、CH2为三相输入电流、CH3为直流侧输出电压,CH4为桥臂之间电压。

直流侧控制器可使用比例积分PI控制器,输出为Vloop信号,与iL一起实现对系统的输入阻抗进行控制。可知当直流侧负载功率增大时,输出电压会下降,因此PI控制器会增大Vloop的输出,使得系统的输入阻抗根据控制公式Vout/vloop变小,使得输入电流和功率增大,实现功率平衡,当输出功率减少时Vloop的输出也会减少,输入阻抗根据控制公式Doff = Vout/vloop增大系统的输入阻抗,来实现对直流侧电压的闭环控制。

P2 基于输入阻抗的Vienna整流器的输出侧直流电压中点平衡控制策略
当正负直流母线负载的不等时,会导致直流侧两个电压不均衡,使得一个电容电压高一个电容电压低,使系统失去可靠性和稳定性。为了解决直流侧电压不均衡的问题,本文提出增加直流侧正负电压的均压环,用均压环的输出Diff补偿系统的输入阻抗,从而影响流入电流和功率,实现直流侧的电压均衡。可知,当直流侧的负载由平衡状态变为不平衡时,正负直流侧负载电阻发生变化。从而输出电压也变化,易知当均压环还未动作时,负载减弱时直流侧电压会升高,反之负载加重直流侧电压会下降。因此均压环很快会发现两者直流母线的电压存在差值,并根据减法操作判断方向,如正向电压大于负向电压时,意味着正向直流母线的负载电阻增大。为了降低正向直流母线电压上升,只需降低正向相位的输入电流,即可实现功率平衡。而AC正向电流降低,在控制上只需增大正向的输入阻抗即可,也就是加大Doff来实现。因此本文提出使用均压环的输出去补偿电感电流来实现对阻抗的调整方法,可见:

上式中:Diff变为负向即可减小Doff,反之则可以加大Doff,以此实现对输入阻抗的影响来实现功率均衡,实现直流侧在负载不平衡时的均压控制。
下图是系统由负载平衡切换到正向直流母线负载减弱,负向直流母线负载不变的中点电压平衡策略的运行情况。
CH1 绿色是正向直流母线电压,红色是负向直流母线电压。
CH2 绿色是A相输入电流,红色是均压环的输出,在负载平衡时是输出0,负载不平衡时调节到-4.2A。
CH3 绿色是iL_A+Diff的输出,可见正向峰值被减弱,负向峰值加大,从而影响输入变换器在不同AC相位时的输入阻抗。
CH4 是A相的Doff

下图是由负载不平衡过渡到负载平衡的情况,可见均压环的输出减少到0,不再影响输入阻抗和功率。
本文以输入阻抗的控制来实现高功率因素整流的功能,又因为控制方法上与电网解耦,也没有传统意义上的电流内环,因此更容易适应电网高次谐波、缺相、电网不平衡、频率和幅度变化的发电机应用场景,下面是复杂和电网环境测试,在这种情况下传统基于锁相环和dq控制的方法非常难以保证可靠和优秀的控制性能。
P3 更多测试:
CH1是三相输入电压,CH2是三相输入电流,CH3是Doff和PWM载波,CH4是桥臂PWM电压,CH5是直流侧输出电压800V
1、三相电压平衡无高次谐波满负载启动:

2、三相电压叠加3/5次谐波满负载运行:

3、三相电压叠加3/5次谐波+缺相满负载运行:

4、三相电压不平衡满负载启动:

5、三相电压不平衡+频率50>400Hz突变

6、三相电压不平衡+频率400>50Hz突变

小结:提出一种无需采样输入电压和追踪电网相位角度和无需电流内环的三相三电平Vienna整流器的控制方法,大幅度的简化了整流器的控制,并且在控制上与电网解耦,能自动适应复杂的电网环境,提升了整流器工作的鲁棒性和靠性。本文提出的基于输入阻抗的Doff控制方法,以简单的方法实现了高功率的三相三电平Vienna整流器的控制,并对电网高次谐波、缺相、不平衡、频率变化、电压瞬变等场景表现出了非常优秀的性能。
参考文献:
1、NCP1654 DS
2、VIENNA整流器控制策略综述”。作者:陈亚爱,李子漩,周京华,吴杰伟(北方工业大学 北京市变频技术工程技术研究中心,北京 100144)
3、Performance analysis of SRF-PLL and DDSRF-PLL algorithms for grid interactive inverters“,作者:Fehmi Sevilmiş a,* and Hulusi Karaca