PS7526 高效 DC-DC 同步整流升压转换器
PS7526 高效 DC-DC 同步整流升压转换器
概述
PS7526 是一颗高效同步升压转换芯片,内部集成低阻抗功率内部集成软启动电路,无需外部补偿电容,外部反馈网络。
PS7526 为移动电源等高效升压应用领域提供了新的解决方案。
特点
◼ 工作频率 500kHZ
◼ 内部集成同步整流 MOS,无需外部整流二极管
◼ 外部反馈网络,输出电压可调节
◼ 恒流短路保护模式
◼ 电流模式,响应速度快
◼ 内部过流保护功能
应用
◼ 锂电池供电
◼ 智能手机
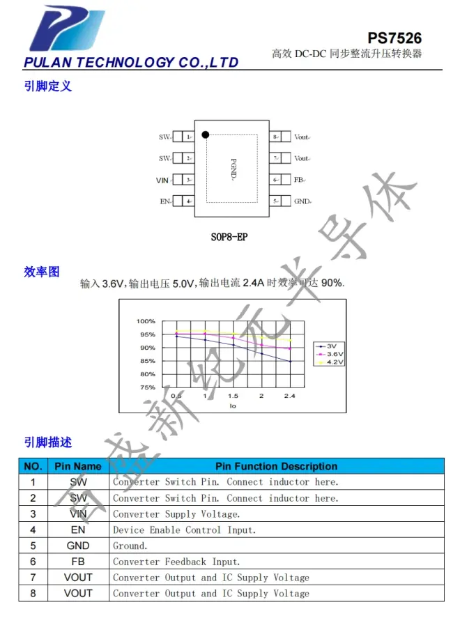
◼ 平板电脑等智能充电领域




