数字温度计电路图的分析
在大学的学习中,我们学了运算放大器。但是学了那么多,运算放大器到底有什么用,怎么用,是当下身为大学生的我们需要思考的。
那么今天我很荣幸,向母校广东轻工职业技术学院的老师要了一份实验课用的电路图,仔细看了下,发现跟我们所学的模拟电路里的知识还是很紧扣的,故写下这篇文章,作为知识的输出!
下面我们就开始来看看运算放大器是如何实现数字温度计功能的。

拿到电路图,设计者也很贴心地将系统分成了三个模块,一目了然。这三个系统分别是:温度采集模块、基准电压生成模块和采集值与基准值比较模块。我会在后面的文字中,我将这三个模块分别展开来讲解!
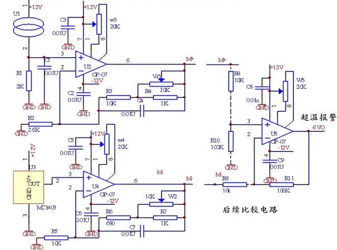
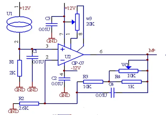
一、温度采集模块
温度采集模块的电路图如图所示,核心是一个工作在线性区的放大电路。

U1就是温度传感器,型号为AD590。我们可以从互联网上很容地搜索到这个芯片的数据手册。我们看到下图标黄的文字:线性电流输出:1uA/K。

这里就要稍微补充下热力学的知识,K(Kelvins)是一个热力学的单位,不同于我们熟知的摄氏度,它是以冰水混合物即0C°作为起点的,开氏度是以绝对零度即-273.15C°为起点的。它们之间的换算公式是:
综合以上,我们可以知道这个温度传感器的大致作用了:这个温度传感器实质是一个随温度变化的电流源,其每升高一个开尔文度,电流就会增加1uA。那么假设当前室温为25C°,根据上面的式子就可以算出当前的开尔文温度是298.15K,对应地温度传感器就会输出298.15uA的电流。
现在我们进入电路图的分析。
核心器件是一个运算放大器,我们用瞬时极性法可以快速判断出该运放处于一个负反馈的状态,那么此时我们可以采用 “虚断”的分析方法。假设室温为25C°,那么传感器输出一个相对稳定的289.15uA的电流,由于虚断,电流会全部流入R2电阻,此时在 “2” 端,就会产生一个596.3mV的电压信号。
分析整个运放的组态,也很容易知道它是一个电压串联负反馈的一个组态,是电压-电压放大。由于运放的放大倍数是非常大的,我们可以认为此时的电路是处于深度负反馈的一个状态,那么我们就可以忽略放大器的本身的放大倍数,而只关心由外围电阻组成的反馈网络,从而计算出放大倍数。详细公式变化过程如下:
其中,u'i 是净输入量。由于Auu是非常大的,所以可以:
又因为:
所以:
我把反馈电路网络画的好看点:

那么就可以知道:
xk是滑动变阻器。
代入Affu式就可以得到:
当xk = 10k时,
当xk = 1k时,
当xk = 0k时,
可以猜测W1应该是一个调整倍数精度的工具。我们就选用0k时的状态吧。
最终,596.3mV的输入电压信号经过5倍的放大就会得到2.9815V的输出电压。
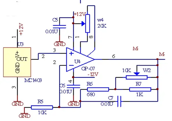
二、基准电压生成模块
这个模块是产生一个2.7315V基准电压,那么与上面的2.7315V相减,就得到了0.25。已经出现了显示的值了,心里想想就知道这跟25C°有关。我们再来分析一下:

电路图有个MC1403芯片,通过查询手册,可以知道这是一个基准电压生成芯片。由于只能生成2.5V,达不到2.7315V,所以我们需要对其进行信号处理。

看到电路图,依然是一个电压串联负反馈。所以在第一个模块分析的方法我们可以同样套用。
我们依然让W2为0,得到:
得到的结果是2.67V,没达到我们预期的2.7315V。这个时候W2的功能就体现出来了。
我们刚刚是把W2置零了,那我们就适当地调大W2。
如果有实物的话,我们可以用万用表边测边调。如果没,通过计算也能得到一个理论值,一个很简单的一元一次方程。就不列了。大概算得W2 = 358.9Ω的时候,输出刚好是2.7315V。这是理论值,实际上会有许多的因素干扰,这也是W2存在的意义。
三、采集值与基准值比较模块
到了这里,我们可以对上两步所得到的电压进行处理,输出一个信号供后续的使用。我们可以很容易地判断出这是一个非常经典的减法运算电路。且R8 = R9,R10=R11,因此我们可以套简化后的公式。

把减法公式套进来:
其中,uo1是第一步得到的电压,uo2是第二步得到的电压。最终:
至于这个2.5V能做什么,我们可以后续接上超温报警等电路,或者是通过ADC转换器在连接到数码管模块,可以得到一个我们人可以识别的温度值。
写到这里,算是结束嘞,心里终于是有点“学以致用”的感觉,通过这篇文章,模电电路知识再也不会冷冰冰地躺在纸张上了,这也是我一直追求的。虽然本次项目还是属于比较简单的那种,但是对我来说是打开了教产结合道路,意义还是很大的。

