富林泰克梁式称重传感器SB6-204KG

*阿里:江西翼腾自动化设备有限公司
*淘宝:传感器高科
主要功能
不锈钢结构
密封的
低容量范围
高精度
OIML、ATEX 和 FM 认证
产品应用
装袋机械、输送秤、容器称重系统。
产品参数

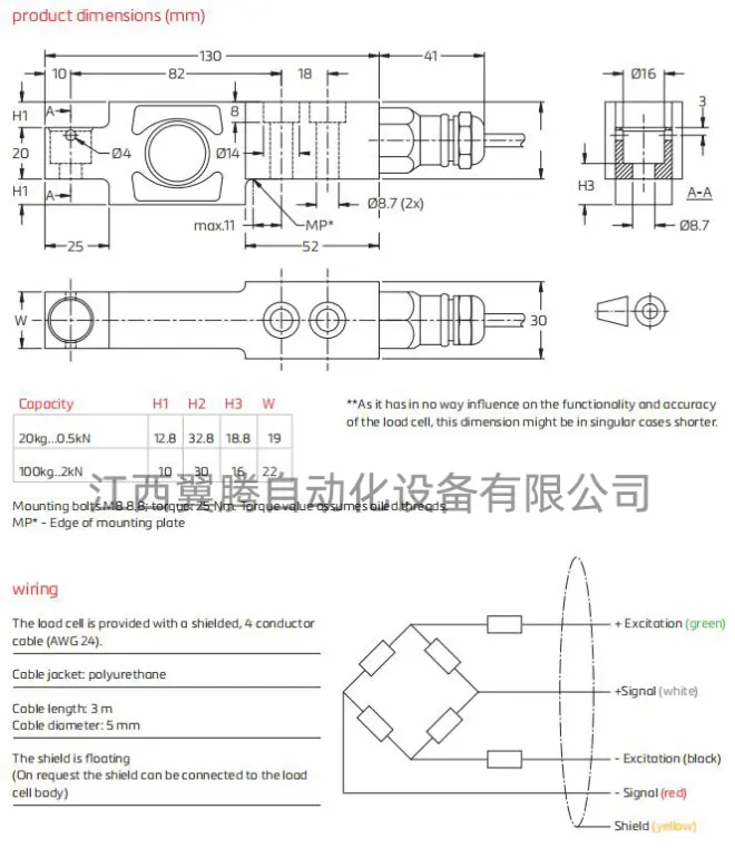
产品尺寸及接线

产品型号
SB6-0.2KN-GP称重传感器,SB6-0.5KN-GP称重传感器,SB6-1KN-GP称重传感器,
SB6-2KN-GP称重传感器,SB6-20.4KG-GP称重传感器,SB6-51KG-GP称重传感器,
SB6-102KG-GP称重传感器,SB6-204KG-GP称重传感器,SB6-1KN-C3称重传感器,
SB6-2KN-C3称重传感器,SB6-102KG-C3称重传感器,SB6-204KG-C3称重传感器,
SB6-1KN-C3 MR称重传感器,SB6-2KN-C3 MR称重传感器,SB6-102KG-C3 MR称重传感器,
SB6-204KG-C3 MR称重传感器
富林泰克悬臂梁式型号
SLB(31~2268KG)、SB9(250~250KG)、SB5(510~10197KG)、SB14(227~4536KG)、SB4(510~10197KG)、
SB6(20~204KG)、SB8(10~500KG)、BK2(200~2000KG)
富林泰克公司介绍
质量 + 精度
富林泰克是优秀的制造商,能生产高品质,高精度精密的重量测量工具,适用于各种工业领域。 我们各式应变式称重传感器和力传感器可靠,精确并有很好的性价比。 富林泰克传感器和我们广泛的设备和电子元件组合在一起,可以设计和安装成完整的称重系统。
富林泰克集团公司是部分的测量与传感器技术(MST)组的 Indutrade AB。
Indutrade是技术销售团队,生产,市场,销售,系统服务于高科技工业客户在不同领域的应用,帮助客户制造越来越多的企业自主品牌。
重点是高科技组件,为客户提供常态需要的系统和服务,这对企业资金的流动和提升提供了稳定的保障。
集团分布在25个国家拥有超过200家公司。我们通过构建价值链和提高我们客户使用的高科技组件和系统的效率,为客户创造价值。
对于Indutrade的经销商,通过较高的专业技术和建立维护有效的客户关系而形成有价值的销售网络。Indutrade配合经销商在他们自己的区域以有利的方式,有效且更主动地介绍自己的产品进行合作。
Indutrade产品的重要领域有:阀门、测量技术、工业设备、液压/气动,技术,过滤器和工艺玻璃/塑料/陶瓷、管道系统、泵、自动化、化工产品、胶粘剂、医疗技术和服务。
主要客户群体,包括工程、能源、水、建筑、医药卫生、纸浆和造纸、商用车、海洋/海洋和汽车研讨会。
经营目标是发展、业务与收购有机结合。Indutrade已经加强和细化收购公司操作中的责任明确分散测试模型。