光伏发电孤岛保护装置
什么是光伏防孤岛保护装置
上海长高继保的光伏防孤岛保护装置应用于新能源光伏电站中。孤岛效应意味着当电网由于某些故障而失去电压时,光伏电站可以继续向系统的一部分供电。孤岛问题可以分为两个,分别为计划性和非计划性。顾名思义,当计划外事故发生时,应由电网中的某些事故引起,这些事故可能会影响到光伏电站的正常运行、设备的损坏。因此为了避免这种故障的出现,会要求加设防孤岛保护装置。在发生孤岛现象时,光伏防孤岛保护装置可以快速切除分布式孤岛电源,让其跳闸,从而很好的保证了两侧主设备不受伤害,避免进一步扩大。带有失压跳闸、检有压自动合闸功能,当故障解除后,光伏两侧都处于正常状态。这时防孤岛保护装置会检测到相关信号,自动合上并网开关,让其正常工作,省去了人工并网的繁琐。

光伏防孤岛保护装置的功能
高频保护功能
当装置检测到电网频率过高时,且大于整定值时,光伏发电防孤岛装置动作跳闸。
低频保护功能
当装置检测到电网频率降低时,且低于整定值时,光伏发电防孤岛装置动作跳闸。
高压保护功能
当装置检测到电网电压过高时,且大于整定值时,光伏发电防孤岛装置动作跳闸。
低压保护功能
当装置检测到电网电压降低时,且低于整定值时,如防孤岛装置动作跳闸。
逆功率保护功能
对于自发自用的光伏电站,光伏发电是不允许流入电网,当并网点检测到有功率逆向流入时,跳开光伏开关,上网的项目,要防止电网侧向光伏侧反送电,侧也需要光伏逆功率保护,具体情况由项目来定。
有压合闸功能
当电网电压降低或者消失时,装置发出跳闸命令,跳开开关,当电压恢复正常后,经过一段时间,装置发出合闸命令合闸(根据供电局要求可自行投退)。
高电压故障恢复合闸
当电网电压过高引起跳闸时,当电压恢复正常范围后,经过一段时间开关合闸(根据供电局要求可自行投退)。
高频故障恢复合闸
当电网频率过高引起跳闸时,当频率恢复正常范围后,经过一段时间,开关合闸(根据供电局要求可自行投退)。
低频故障恢复合闸
当电网频率过低引起跳闸时,当频率恢复正常范围后,经过一段时间,开关合闸(根据供电局要求可自行投退)。
孤岛效应的危害
1、当电网停电检修时,维修人员不一定意识到分布式系统的存在,若并网光伏电站的逆变器仍继续供电,从而可能危及维修人员的安全;
2、当孤岛效应发生时,电网不能控制供电孤岛的电压和频率,电压幅值和频率的漂移会对用电设备带来破坏;
3、如果逆变器仍然在发电,由于并网系统输出电压和电网电压之间产生相位差,当电网重新恢复供电时会产生浪涌电流,可能会引起再次跳闸或对分布式发电系统、负载和供电系统带来损坏。
防孤岛保护装置的工作原理
过流Ⅰ段(速断)方向保护
当任意一相电流大于过流Ⅰ段(速断)方向保护电流定值时,保护动作,从故障电流到启动到保护动作出口的最短时间不大于40ms(包括继电器固有动作时间),为了躲过路线避雷器的放电时间,过流Ⅰ段(速断)保护也设置了可以针对的延时时间。其原理图如下所示:

过流Ⅱ段(限时电流速断)方向保护
当任意一相电流大于过流Ⅱ段(限时电流速断)方向保护电流定值时,经可设定的延时时间,保护动作。其原理图如下所示:

过流Ⅲ段(定时限过流)方向保护
当任意一相电流大于过流Ⅲ段(定时限过流)方向保护电流定值时,经可设定的延时时间,保护动作。其原理图如下所示:

防孤岛保护装置过负荷保护
设有过负荷保护,保护可选择动作于跳闸或告警,过负荷保护投退可整定为:退出、投入。其原理图如下所示:

零序电流保护
防孤岛保护装置设有零序电流保护,保护可选择动作于跳闸或告警,投退控制可整定为:退出、投入,动作方式可整定为:告警、跳闸。其原理图如下所示:

防孤岛保护装置过电压保护
设有过电压保护,当任意一相大于设定的电压保护定值Uset或断路器在合位或者任意一相电流值大于1A。其原理图如下所示:

低电压保护
设有低电压保护,当任意一相小于设定的电压保护定值Uset或断路器在合位或者任意一相电流值大于1A。其原理图如下所示:

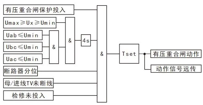
自动有压合闸
设有自动有压合闸功能,自动有压合闸功能应用于分布式发电模式,是指当进线开关处于跳位,检测到主电网电压恢复正常且分布式发电侧无压后,系统经合闸延时后自动合闸。所有保护动作后,自动有压合闸仍可动作一次,若动作一次后20S内保护再次动作,则长时间闭锁自动有压合闸,直到手合、遥合命令发出后再次开放自动有压合闸;若20S内保护没有动作(在合位),则开放自动有压合闸。防孤岛保护装置处于检修(检修开入有信号)时,闭锁自动合闸功能。其原理图如下所示:


