易云维产业电商APP&西门子QFM9160风管式温湿度传感器参数介绍








风管式温度传感器包括外壳、印制电路板、连接终端、安装法兰和带测量器的浸入杆。
组合式的外壳包括底座和可拆卸的面板(卡箍式设计)。
测量电路和设定元件的位置在面板里面的印制电路板.上,连接终端则在底座上。
传感元件在测量器的末端并有过滤帽保护。
电线接入是通过传感器所带的M16电线接入密封管(IP54)用螺丝固定在外壳里面的。
浸入杆和外壳由塑料做成,连接紧密。
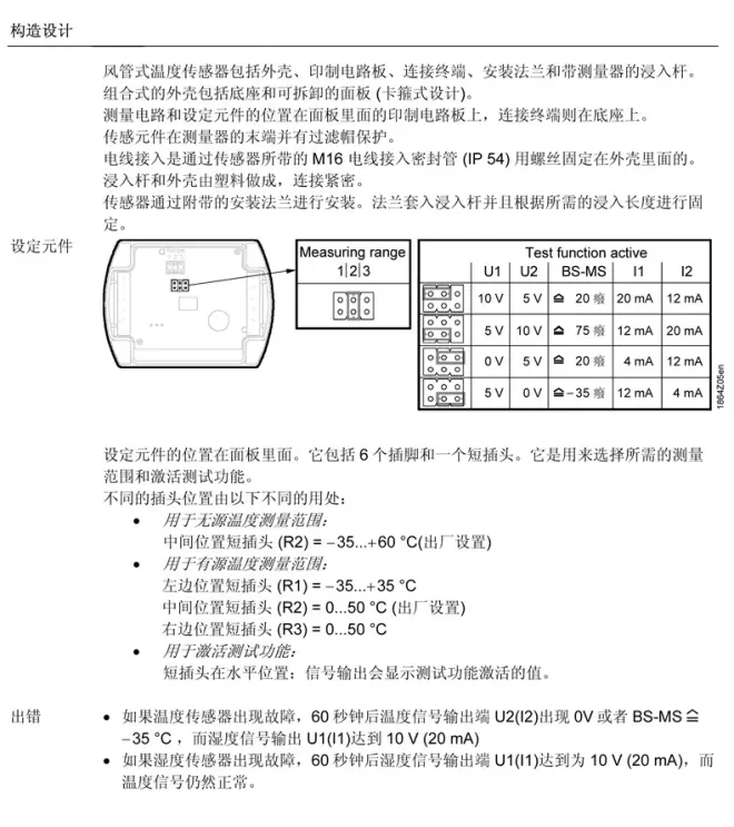
传感器通过附带的安装法兰进行安装。法兰套入浸入杆并且根据所需的浸入长度进行固定。