约瑟 输送带保护装置 DH-F1型非接触式速度检测器、打滑开关,防止因故障造成机械事故


速度检测器,(又名打滑开关、欠速开关、低速开关、打滑检测装置),对皮带打滑、皮带断裂、卡转、慢转、动轴剪切和过载、传动链 ( 带 ) 脱落等机械故障能及时处理,起到保护设备的作用;用于皮带输送机、提升机、螺旋输送机、研磨机、破碎机、泵、离心干火机、搅拌机和除尘器等转动设备。
主要用于带式输送机运行中胶带与主动滚筒出现打滑(失速)故障。
可防止由于打滑所造成的严重事故的发生,本机还可用于多条带式输送机的连锁启动和停机,低速抱闸或超速保护等;使现场操作简单化提高了安全性在钢铁、电力、煤矿及港口等有带式输送机的行业得到应用
本机由触轮、脉冲盘、电子脉冲开关、继电器、壳体组成,触轮采用铝合金铸造,
表面齿轮状凹槽具有耐磨、防打滑型强的作用。壳体采用铝合金精密压铸,连接处有密封圈,防水性能强。
壳体表面采用静电喷塑涂覆工艺,涂膜均匀,附着力强、防腐蚀性强。
电子脉冲开关具有灵敏度高、传感能力强的作用。
【工作原理】
脉冲盘随胶带运行而旋转时,传感器的磁感应信号输入到控制电路中去,经放大、整形后进行计数。
其计数值与预置数比较,判断胶带机的带速,即:正常速度、打滑或超速等
同时,执行电路输出相应的开关信号
【皮带打滑主要原因及处理方法】
1、超负荷运行;
处理方法:控制流量;特殊情况带料停机时有必要将皮带上的物料清理一部分。
2、胶带机张紧力是否与皮带的长度、输送能力相符;
处理方法:适时调整皮带机的张紧装置,以确保有足够的张紧力,否则因皮带使用的伸长而导致张紧力下降而打滑。
3、皮带非工作面有泥水引起打滑等。
处理方法:对皮带的防雨设施要做好,以免皮带非工作面进水后,造成皮带跑偏打滑。
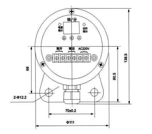
【外形尺寸】


打滑开关部分型号
XLDH-I, XLDH-II, XLDH-F-S, XLDH-F-A, QDH-I, QDH-II
QDH-III,QZDH-II, DH-I, DH-II, DH-III, JYB/RDC-C
DH-1, DH-2 , DH-3, JYB/RDC-B, FYDDH-02,YKQS-60-23P
60-23P, YHDH-2, QSDH-I, QSDH-II, QSDH-III, XLDH-F-II
PLR60, HSQ-726D6, HSQ-726C6, JYB/RDC-A,TM-6P, YHSJ-B, JDH-V-II
(型号众多未标注齐全)
拉绳开关、跑偏开关、打滑开关、料流开关、纵向撕裂开关、溜槽堵塞开关等。
上海约瑟.