卧式自动吸式过滤器
卧式自动吸式过滤器概述
LJDSX系列自动吸式过滤器是一种高精度、gao效率全自动清洗过滤设备,该装置内部设置了自动吸吮扫描器,扫描器由电机带动作旋转yun动,清洗时,电机带动吮扫描器扫过滤网表面吸掉污物杂质,并通过排污阀排出过滤器,该设备与刷式过滤器相比具有更高的过滤精度
LJDSX自动吸式过滤器由滤筒、自动吸吮扫描器、压差开关、电动排污阀、嵌入式控制系统组成,当水流通过滤网时,水中的固体杂质被截留在滤网内壁,造成滤网内外压差增大,当压差值达到设定值时(一般设定压差值为0.05MPa),压差开关给出信号,传递到微控制器,控制系统自动启动电机带动吸吮扫描器旋转吸掉滤网上的污物杂质,同时开启自动排污阀将杂质排出。当压差回复为正常值时,自动切断电机停止运行,排污阀关闭,清洗过程完毕。整个过程由微控制器集中控制,同时还可以实现定时及手动控制功能。

卧式自动吸式过滤器应用范围电厂、污水处理厂、冶金、钢铁、农业、市政、中央空调等行业水过滤过滤器材质壳体:碳钢、304不锈钢、316L不锈钢排污阀:铸铁、铜、不锈钢滤网:304不锈钢、316L不锈钢
密封圈:EPDM橡胶
吸吮架:304不锈钢、316L不锈钢
吸嘴:不锈钢、硅胶管
卧式自动吸式过滤器技术参数
电源:380V/50Hz
电机功率:0.09-1.5KW
滤网可选:钻孔(4000-800μm)、楔形(1000-50μm)、编织复合(800—20μm)。
工作压力:0.1MPa
工作压力:1.6MPa(可定制)
工作温度≤95℃
控制方式:压差、时间、手动
清洗时间:10-200秒可调
安装形式:可立式安装或卧式安装,多台并联可获得更大流量。
卧式自动吸式过滤器安装与使用
1、LJDSX自动吸式过滤器设备本体安装
1)安装使用时,应注意对控制箱、传感器及传动部分的保护,防止损坏。
2)按照LJDSX自动吸式过滤器本体上的箭头提示方向连接管道,使水流方向与本体上的箭头方身一致。
3) 自动吸式过滤器应安装在需要保护的用水设备之前,并尽量靠近用水设备。
4)在动力系统中,自动吸式过滤器应安装在水泵与用水设备之间,越靠近用水设备越好。当泵与用水设备之前的压力超过过滤器的JI限压力,自动吸式过滤器也可安装在水泵之前,并尽量靠近水泵。
5)自动排污阀连接方式分为法兰和丝扣,排污管不宜过长,zui好不要超过10米。
6)安装时应考虑便于检修,自清洗过滤器前后应安装关断阀门,且应安装旁通管道。
7) 自动吸式过滤器的规格应与管道或流量相匹配,当一台单台过滤器不能满足系统流量要求时可并联两台或更多,以达到系统过滤要求。
2、电源连接
1)本设备在出厂时,控制系统与清洗电机、电动排污阀以及差压控制器之前的电缆已经连接好,在安装时只需要将控制箱留出的电源线连接好即可。
2)在连接电源时,请根据功率选择合适的电源线连接,按以下图示所标颜色正确接线。
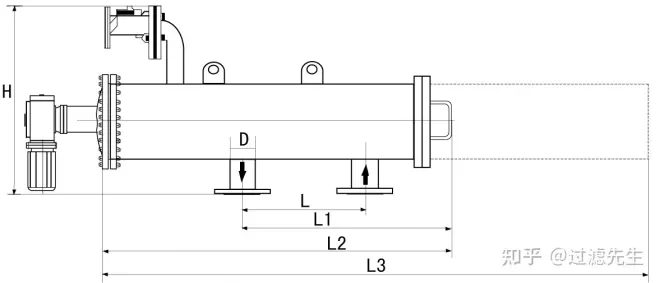
安装尺寸

型 号进出水口DNL(mm)L1(mm)L2(mm)H(mm)排污口 DN流量(m3/h)LJDSX-808045011017956305050LJDSX-10010060012020606805080LJDSX-125125700150227068050105LJDSX-150150750180293076050150LJDSX-200200750180293081050320LJDSX-250250900220357081050450LJDSX-3003001100250418081065600LJDSX-3503501300300428096065850LJDSX-40040013503204930960801200
