射频振荡器3_鸡鸡
环形振荡器可以,节省芯片面积,宽的调谐范围。噪声差,功耗高。在一个频率点上满足巴克豪斯准则。
(巴克豪斯,正反馈),频率选择功能。才可以实现振荡,环形振荡器如何实现频率选择?
通过三个放大器,每个放大器提供一个,交流的60度相移。可以实现360度。放大器总的增益可以大于1。如果是偶数个,在直流的时候,满足,但此时频率为零,如果给一个激发,让它振荡起来,但是一旦受到扰动,环路还是可能回到锁定的状态。
所以至少三级,单端,差分可以偶数,四级。
每一级引入180/N的交流相位。引入的总问相位240度(120),产生多相。这是环形振荡器的优点。稳定的时候,环路增益为1,但是如果大于1,最后,由于非线性,增加到一个稳定值,使得平均增益为1。
此时,引入大信号分析的方法,每一级的大信号的延迟为TD。
当振荡幅度很小,是线性的操作,环形振荡器的频率为小信号分析方法。当幅度增加,非线性操作,由延迟决定。

abcde,直接连接到电源,所以电源的波动会直接影响到延迟。
f;使用电流源,但是摆幅会因此受到影响。
共模噪声影响。
差分

差分结构可以抑制:电源,衬底这种共模噪声。
工作:的电压摆幅是ISSR1,,如果它工作在线性区,增益下降,延迟增加,但是优点是提高了相位噪声。所以可以是ISSR1<vtn,这样可以使它不工作在线性区。电阻可以用上面的mos管来代替。

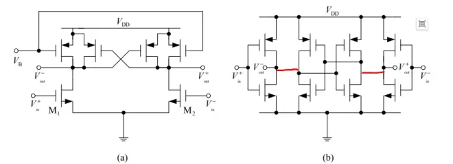
a图使用交叉耦合的,正反馈,可以使得输出信号同步变化,速度更快,但是下面的两个管子无法,如M1 g=0,D=1, M2 g=1. D=0, M1 g变成高, M2 g变成低, M1导通,D下降,M2截,D不变,知道M1D下降到VDD-VthP,互耦对开始工作。M2的漏才开始上升。使用b可以解决这个问题。