数电仿真10:简易数字频率计
仿真文件:https://ottava.cn/archives/1888
这个实验,multisim的SN74123是上升沿触发,实际实验为下降沿触发,无法根据实际要求完成仿真,除非对电路进行修改,文中就不修改了,文件中是初步修改过的,可以仿真。应该有更好的修改方式。
思路:
(1)按下开关后,开始计数,数码管由于锁存不改变数值(00),
(2)1s后,停止计数(由于7400、双稳输出),同时由于锁存信号=1,解除锁存,改变数字,显示频率计结果。
(3)而后继续锁存,保持结果。且计数清零。
(4)一段时间里(~1s)停止工作
(5)而后重新开始计数,即从(1)开始。

实验内容
1、将两位十进制计数器7490连接起来做成一个百进制计数器,调试电路使其能从0-99正常计数
方法:第一个的QD连到第二个的CP1,各自的QA连到CP2,四个置零暂时接地。

2、用示波器调试控制电路:观察双稳输出是否为0.5Hz,两级单稳输出端均有窄脉冲输出,则表明控制部分正常。

3、连接好全部电路,基准频率输入1Hz信号。改变被测信号的频率,检验显示结果是否正确。
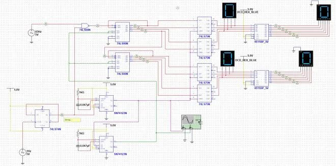
总览:

注释:

【1>被测信号】【2>主闸门7400】【3>计数】【4>锁存】【5>数码显示模块】【6>1Hz基准频率】【7>双稳7474】【8>两个单稳】
【2>主闸门7400】:输入被测信号和1Hz的二分频,输出到第一个7490的CP1
【3>计数】:100进制,连接方法见上,四个清零连一起->74123第2部分的输出,四个置9接地。

【4>锁存】:两个7475,四个EN连一起->74123第1部分的输出,输出可选接到实验箱上

【5>数码显示模块】与实验6类似,可用实验箱上的代替

【8>两个单稳】
共通:R=1,B=1,电容×电阻大小无所谓
第1部分的A输入7474的输出信号Q,第2部分A输入第1部分的输出信号Q。(实际实验中是这样做,仿真这样连接做不出来)

[2023-7-23]上传了仿真文件