以技嘉b85m-d3h为例,分析usb5v供电流经的线路
该原理图为网上收集到的免费图纸(找了挺久只找到该图纸比较合适,其他不是要收费就是上古图纸,有机会也会分析一下上古图纸usb供电线路,通过跳线帽选择5V或者5VSB)
稍后图纸链接会放在评论区

图中红圈处就是如果外界通过usb反向供电的等电位点(忘记圈出esd部分,不影响,看黄色加亮显示的),这部分电路是直接相连的。
该部分有一个反向TVS二极管做静电防护(图上半部分中间),同时电源通过5VDUAL供电(一个自恢复保险丝,只能限制过流)。然后我发现这玩意居然还通向显示器DVI和HDMI接口。。。。。

由于不了解HDMI和DVI接口规范,我并不清楚会发生什么,有可能导致显示器无法熄灭(要查查规范)。

我们接着分析5VDUAL,由于5VDUAL供电部分挺多的,只挑重点

可以看到图中红圈处,5VDUAL还给音频芯片供电

前置USB接口,保护同样是快恢复保险丝和TVS二极管

似乎是5V超压保护

5VDUAL供电来源。关机时为5VSB供电,开机为VCC

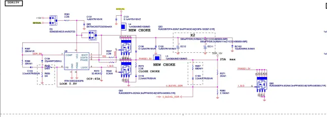
DDR升压居然也有5VDUAL,画的有点抽象,我们看看RT8120手册的参考电路。。

可以看出,确实是从5VDUAL取电。

RT8120确实可以在5V(4.5-13.2)工作
如果外部电源在关机状态下向usb供电,会启动的设备确实不少,甚至可能包括显示器。

